Zhejiang Sehnaider Electric Co., Ltd.
Zhejiang Sehnaider Electric Co., Ltd.
Produkter
BH-0.66-60 nåværende transformatorer
  • BH-0.66-60 nåværende transformatorerBH-0.66-60 nåværende transformatorer

BH-0.66-60 nåværende transformatorer

BH -0.66-60 nåværende transformatorer vedtar PC -flamme - retardantmateriale, og magnetisk ledende materiale er en glødet toroidal kjerne for å sikre nøyaktigheten til produktet på nivåer 0,2 og 0,5. For ultra - høye nøyaktighetsnivåer som 0,2s og 0,5s, kan bare superledende magneter oppfylle slike nøyaktighetskrav.

BH-0.66-60 Gjeldende transformatorer er anvendelige for kraftsystemer med en nominell frekvens på 50Hz og en nominell spenning på 0,66 kV, 0,69 kV, 0,5kV og under for elektrisk energimetting, gjeldende måling og relébeskyttelse.


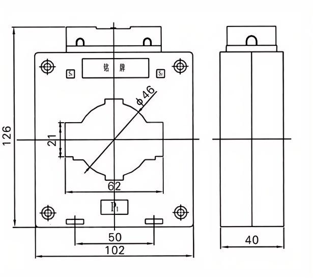
Denne nåværende transformatoren av Dahu er til innendørs bruk, installert inne i distribusjonsskap og bokser. Den har en ny magnetisk kretsdesign, avanserte kompensasjonsmetoder, utsøkte prosesseringsteknikker, sikker og pålitelig ytelse og et lite og vakkert utseende.


Det ytre skallet er laget av høy styrkeflamme - retardant PC med en fullstendig lukket struktur og en flamme - retardantvurdering på V1. Den indre kjernen er laget av korn med høy kvalitet - orienterte silisiumstålplater. Ledningsdiameteren er strengt valgt i henhold til den økonomiske strømtettheten for å sikre mindre temperaturøkning. Med avansert og pålitelig testutstyr sikrer det samsvar med kvalitetsstandarder.


Den har firkantede og runde hulltyper, egnet for enkelt - rot- eller flere rotkabelinntrengning eller en enkelt -russtokkinntrengning. Den har en komplett produktserie, et bredt utvalg av spesifikasjoner og et bredt applikasjonsområde.


Applikasjoner

Energiovervåking og måling

Kretsbeskyttelse og relékoordinering

Industriell automatisering og smarte nettsystemer

Tekniske spesifikasjoner

Nominell spenning: 0,66 kV

Frekvens: 50/60Hz

Nøyaktighetsklasse: 0,5, 1,0 (tilpassbar)

Isolasjonsnivå: 3KV/min


Hoved tekniske parametere

Rangert primær
strøm (a)
Nøyaktighet
klasser
kombinasjon
Rangert sekundær utgang (VA) 1S Termisk strøm (Ka) Rated Dynamic Current (KA)
0,2 (s) 0.2 0.5 10p10
5-40 0.2/10p10
0,5/10p10
/ 10 10 15 90lin 220LIN
5-40 100lin 250lin
5-40 20 50
5-40
5-40 36 90
10
5-40 45 100
5-40 56 100
5-40
5-40 80 110
5-40 100 110


Hot Tags: BH-0.66-60 nåværende transformatorer
Send forespørsel
Kontaktinfo
Hvis du har noen henvendelse om sitat eller samarbeid, kan du gjerne sende oss en e -post på river@dahuelec.com eller bruke følgende henvendelsesskjema. Vår salgsrepresentant vil kontakte deg innen 24 timer. Takk for interessen for produktene våre.
X
We use cookies to offer you a better browsing experience, analyze site traffic and personalize content. By using this site, you agree to our use of cookies. Privacy Policy
Reject Accept